718WF14-025
$4.10piece
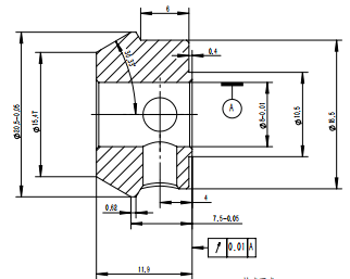
The 718WF14-025 is a spiral bevel gear made of 20CrMo material, manufactured through multiple precision processes. With parameters suitable for sewing equipment, it is a key component ensuring stable transmission of the equipment.
SKU:
BZ-012-C
Category: Spiral Bevel Gears
Description
The 718WF14-025 falls into the category of spiral bevel gears and serves as a dedicated transmission component for sewing equipment. The product features precisely controlled core parameters: a pressure angle of 17°30′, a module of 1.05, 18 teeth, a spiral angle of 40°/R, an inner diameter of 8, an outer tooth diameter of 20.5, and an overall length of 11.9, which can efficiently meet the power transmission requirements of sewing equipment.
This gear is made of high-quality 20CrMo alloy material, ensuring excellent wear resistance and impact resistance of the component. The production process follows a rigorous route, including sawing, turning, screw hole machining, reaming, gear milling, heat treatment, shot blasting and secondary reaming. Every step focuses on precision control to guarantee the meshing stability and service life of the gear. The product is widely used in the field of sewing equipment as a core transmission gear, providing reliable support for the stable operation of the equipment.
Additional information
| weight |
0.0031 |
|---|---|
| Core Components |
gearbox |
| Craftsmanship |
Precision Casting |
Reviews (0)
Be the first to review “718WF14-025” Cancel reply
Shipping & Delivery
MAECENAS IACULIS
Vestibulum curae torquent diam diam commodo parturient penatibus nunc dui adipiscing convallis bulum parturient suspendisse parturient a.Parturient in parturient scelerisque nibh lectus quam a natoque adipiscing a vestibulum hendrerit et pharetra fames nunc natoque dui.
ADIPISCING CONVALLIS BULUM
- Vestibulum penatibus nunc dui adipiscing convallis bulum parturient suspendisse.
- Abitur parturient praesent lectus quam a natoque adipiscing a vestibulum hendre.
- Diam parturient dictumst parturient scelerisque nibh lectus.
Scelerisque adipiscing bibendum sem vestibulum et in a a a purus lectus faucibus lobortis tincidunt purus lectus nisl class eros.Condimentum a et ullamcorper dictumst mus et tristique elementum nam inceptos hac parturient scelerisque vestibulum amet elit ut volutpat.
Related products
2020802
$3.00piece
2020802 Spiral Bevel Gear is a dedicated transmission component for electric tools. Made of 20CrMnTi material, it has a pressure angle of 20°, a module of 1.5, 18 teeth, and a spiral angle of 35°/L, with a shaft diameter of 12mm, an outer diameter of 29.165mm, a total length of 145.5mm, and a single weight of 0.147kg. Produced via multiple correction and precision machining procedures, it features accurate transmission and high stability.
2024498 Gear
$1.50piece
2024498 Spiral Bevel Gear is made of 20CrMo material and manufactured through multiple precision processes including normalizing, gear milling and heat treatment. With a pressure angle of 20°, module of 1.5, 21 teeth and helix angle of 35°/R, it features a compact size (outer diameter of tooth part: 31.4mm, total length: 11.6mm, weight: 0.13kg). Characterized by stable and efficient transmission, it is a high-precision transmission accessory dedicated to power tools.
32721.150020 Bevel Gear-32721.150010 Bevel Gear
$5.00piece
32721 series spiral bevel gears (including 32721.150020/32721.150010) are specially designed for sewing equipment. Made of 20CrMo, they are manufactured through full-process precision processes such as normalizing and turning + full appearance inspection. Core parameters: pressure angle 17°30′, module 1.05, helix angle 40° (right-hand/left-hand rotation respectively); Model 150020: 18 teeth, speed ratio 2, inner diameter 8mm, addendum diameter 21mm, weight 0.0118kg; Model 150010: 36 teeth, inner diameter 15mm, addendum diameter 38.33mm, weight 0.0428kg. Suitable for transmission of sewing equipment, with precise transmission, stability and durability.
ECD767-2 Miniature Bevel Gear
$1.00piece
LCD859-1S Miniature Bevel Gear (Finished Product)
$1.00piece
NBRX-1530 Short-Type – φ8 Gear and NBRX-1530-T24 Long-Type Gear
$2.00piece
The NBRX-1530 series of spiral bevel gears (including the short type φ8 and the long type T24) are made of 20CrMo material and manufactured through multiple precision processes. With parameters of 20° pressure angle, 0.9 module and 24 teeth, their helix angles are 35° left-hand rotation and 35° right-hand rotation respectively, and the tooth outer diameter is 21.8mm. The short type has a total length of 10.5mm and a weight of 0.0148kg, while the long type has a total length of 16mm and a weight of 0.0235kg. Specifically designed for sewing equipment, these gears feature stable transmission, wear resistance and durability.
Roller Sewing Machine T26 and Roller Sewing Machine T13
$2.00piece
- T20 Spiral Bevel Gear: Material 20CrMo, pressure angle 20°, module 1, number of teeth 20, spiral angle 35°/L, inner diameter 8mm, outer diameter 21.5mm, total length 14.1mm. Manufactured through multiple precision processes, it is a dedicated transmission gear for roller sewing machines.
- T24 Long Version Spiral Bevel Gear: Material 20CrMo, pressure angle 20°, module 1, number of teeth 24, spiral angle 35°/L, inner diameter 7.94mm, outer diameter 24.5mm, total length 14.35mm, single weight 0.0213kg. With precise craftsmanship, it is suitable for the transmission needs of roller sewing machines.
Top Feed Drive Gear
$1.20piece
Top Feed Spiral Bevel Drive Gear (exclusive for sewing machinery): 20° pressure angle, 1 module, 26 teeth, 35°/L spiral angle, 7mm inner diameter, 26mm outer tooth diameter, 12.7mm overall length, 0.0294kg weight. Made of 20CrMo via multi-step precision processes, it meets the transmission needs of the top feed mechanism of sewing equipment.

Reviews
There are no reviews yet.